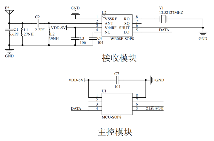
1、主控为8位CPU内核,1Kx14位FLASH型程序存储器,64 字节 EEPROM 型数据存储器,掉电保存;
2、接收部分为高集成度超低功耗315/433MHz ASK/OOK射频接收芯片

1、主控为8位CPU内核,1Kx14位FLASH型程序存储器,64 字节 EEPROM 型数据存储器,掉电保存;
2、接收部分为高集成度超低功耗315/433MHz ASK/OOK射频接收芯片

1、七彩定色:可固定7种不同光色+跳变模式+渐变模式
2、七彩渐变:单光色(可自己选择)+七种光色循环变换
3、客户可根据自己爱好选择两种单光颜色
4、适用空间:客厅,书房,卧室,酒吧,夜市等…

1、工作电压:111V~240V(含)
2、功率小于5W
3、接收部分和主控工作电压:1.8V~5.5V


