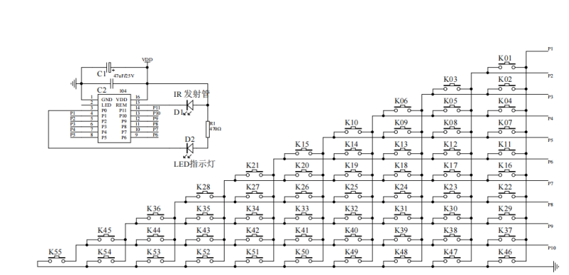
1、芯片为8位CPU内核
2、内部数据存储为256字节MTP型,可编程1000次
3、封装形式为SOP16

1、芯片为8位CPU内核
2、内部数据存储为256字节MTP型,可编程1000次
3、封装形式为SOP16

1、此方案为NEC多功能用户码设定,设定范围:00000-65534(也就是用户码可设定
65535组);内含两套码;
2、自定义用户码变更操作:
按下CODE键5秒,LED指示灯亮;
输入5位数代码为新的NEC自定义用户码(范围=0x0000-0xFFFF).示例:
“01789”=0x06F9(第一个自定义码字节=0x06,第二个自定义码字节=0xF9);
输入代码的时间为30秒,若超出时间未输入完则退出操作,若误操作则回到原
本操作的模式,重新输入代码。

备注:NEC格式结构:引导头+用户码1(8bit)+用户码2(8bit)+数据码(8bit)+数据码反码(8bit)+停止位

1、工作电压:1.8V-3.6V
2、静态电流:≤3μA

