XP8111-电容式单按键触摸芯片
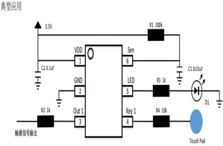
XP8111是一款电容式单按键触摸控制芯片。采用CMOS工艺制造,内建稳压、去抖动、自动校准设计,高可靠性、高抗干扰性,超低功耗与宽工作电压特性,广泛应用触摸面板、触摸调光产品上。

XP8111是一款电容式单按键触摸控制芯片。采用CMOS工艺制造,内建稳压、去抖动、自动校准设计,高可靠性、高抗干扰性,超低功耗与宽工作电压特性,广泛应用触摸面板、触摸调光产品上。



可用于玻璃、陶瓷、塑料、亚克力等介质表面。









