XP-631高灵敏度低功耗
315/433MHz ASK/OOK射频接收芯片

XP-631为新一代低功耗、高性能、无需寄存器配置的即插即用型 OOK 射频接收器,适合300MHz- 480 MHz ISM 频段内的无线接收应用。
XP-631支持1-5kbps 数据率,非常适合与基于编码器或 MCU 的低成本发射器配对使用。该器件工作在 2.5–5.5V 供电电压区间,在此区间内,接收性能不随供电电压的变化而明显改变。当该芯片工作在 433.92 MHz 时,仅需 5.2mA 电流便可实现 -111dBm 的接收灵敏度。通过选用不同频率的晶体,该器件可以工作在常用的 315 MHz 频点或者适用频段内的其它射频频点 。



遥控风扇,遥控灯,遥控器门,遥控玩具,遥控器键盘, 短距离遥控器远距离 RFID,智能家居控制器,无线加密设备接收器,无线报警和安全系统,工业监测和控制,红外接收器替换,无线计量读取.



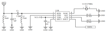
433.92MHz 典型电路

315MHz 典型电路




