
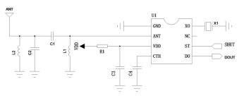
XP390是一款高集成度、低功耗的单片 ASK/OOK 射频接收芯片。高频信号接收功能全部集成于片内以达到用最少的外围器件和最低的成本获得最可靠的接收效果。因此它是真 正意义上的“无线高频调制信号输入数字解调信号输出”的单片接收器件。
XP390为 SOP8 封装,正常工作电压范围 2.2~5.0V ,正常工作电流 5.0-5.2mA,启动时间 3.6ms,接收灵敏度最高可达到-112dBm,非常适合各种低功耗要求的设备等。片内自动完成所有的RF和IF调谐,在开发和生产中省略了手工调节的工艺环节,进而降低成本,可加快产品上市。



遥控风扇,遥控灯,遥控器门,遥控玩具等,遥控器键盘, 短距离遥控器,远距离 RFID
智能家居控制器,无线加密设备接收器胎压监测设备





